实验四 桶形移位器设计

桶形移位器 (barrel shifter) 由组合逻辑电路构成,可以用于任意多位的位移操作。 你应该在编程语言中使用过左移、逻辑右移、算数右移等操作。

左移与右移

逻辑右移与算数右移

逻辑右移(Logical Right Shift)与算术右移(Arithmetic Right Shift)都是常见的位移运算, 用于将二进制数的各个位向右移动若干位,但它们在符号位的处理上不同。

逻辑右移时高位直接补 0 ,低位丢失,不需要考虑符号位。 以下图为示例,每行逻辑右移一位。

8位二进制数逻辑右移示意图
1     11000010            01000010
2 ->  01100001        ->  00100001
3 ->  00110000        ->  00010000
4 ->  00011000        ->  00001000
5 ->  00001100        ->  00000100
6 ->  00000110        ->  00000010
7 ->  00000011        ->  00000001
8 ->  00000001        ->  00000000
9 ...                 ...

算数右移时高位补符号位,符号位为1则补1,符号位为0则补0,低位丢失,因此需要考虑符号位。 以下图为示例,每行算数右移一位。

8位二进制数算数右移示意图
1     11000010            01000010
2 ->  11100001        ->  00100001
3 ->  11110000        ->  00010000
4 ->  11111000        ->  00001000
5 ->  11111100        ->  00000100
6 ->  11111110        ->  00000010
7 ->  11111111        ->  00000001
8 ->  11111111        ->  00000000
9 ...                 ...

从逻辑右移与算数右移示意图的第二列不难看出,当8位二进制数的最高位为0时,逻辑右移与算数右移没有区别。 但是最高位为1时,算数右移时高位补1。

左移操作 没有区分逻辑左移和算数左移,就是左移低位补0,高位丢失。

移位的应用

乘除法运算

左移可以替代乘以2的幂次,右移可以替代除以2的幂次。 前提是数值的有效位没有消失,算数右移可以对补码表示的负数进行除以2的幂次。 你可以使用一门编程语言例如C/C++、Java对数进行左移、逻辑右移、算数右移,输出并观察结果。

循环移位

循环位移不会丢失高位或者低位,而是将移出的部分放在补充的位置。

8位二进制数循环右移示意图
1     11000010            01000010
2 ->  01100001        ->  00100001
3 ->  10110000        ->  10010000
4 ->  01011000        ->  01001000
5 ->  00101100        ->  00100100
6 ->  00010110        ->  00010010
7 ->  00001011        ->  00001001
8 ->  10000101        ->  10000100
9 ...                 ...

尽管我们的桶形移位器不支持循环移位,但是我们可以通过两次逻辑移位和或运算实现循环移位。 例如可以通过 y = (x >> n) | (x << (32 - n)); 实现32位二进制数循环右移程序。

桶形移位器电路

桶形移位器可以移位任意位,例如一个16位的桶形移位器,可以移位 0~15 位,大于15位的移位操作没有什么实际的意义。 下面的电路实现了4位宽二进制数逻辑右移 0 或者 1 位的功能,最高位补零即可。使用了4个二选一选通器。

4bit_srl1

电路实现很简单,当选择端输入为1时,选择高一位的信号,否则选择对应位的信号。

4bit_srl2

同样,当选择端输入为1时,选择高两位的信号,否则选择对应位的信号,即可实现逻辑右移 0 或者 2 位的功能。 那么如果需要逻辑右移 3 位,则将逻辑右移 2 位之后的信号给上面逻辑右移 1 位的电路即可完成功能。

多路选通器

二选一选通器

二选一选通器代码示例
 1 module mux2_1 #(
 2     parameter W = 8
 3 ) (
 4     a
 5     ,b
 6     ,sel
 7     ,out
 8 );
 9
10 input   a, b, sel;
11 output  out;
12 wire    [W-1:0] a, b, out;
13 wire    sel;
14
15 // assign out = sel ? b : a;
16 assign out = ({W{sel}} & b) | ({W{~sel}} & a);
17
18 endmodule

二选一选通器代码示例使用了两种常见的实现方式,第一种方式是行为级建模,使用三目运算符, 在高级语言里面很常见,当 sel 为真时 out = b,否则 out = a 。

第二种方式是电路级建模, {W{sel}} 是 位拼接操作,将1位宽的sel信号复制W份拼接在一起。 比如 {32{1'b0}} 表示 32'b0 , {4{8'h12}} 表示 32'h12121212 。

四选一选通器

四选一选通器可以通过3个二选一选通器组成。下面是代码示例。

四选一选通器代码示例
 1 module mux4_1 #(
 2     parameter W = 8
 3 ) (
 4     a
 5     ,b
 6     ,c
 7     ,d
 8     ,sel
 9     ,out
10 );
11
12 input   a, b, c, d, sel;
13 output  out;
14 wire    [W-1:0] a, b, c, d, out;
15 wire    [1:0]   sel;
16
17 // assign out = sel[1] ? (sel[0] ? d : c) : (sel[0] ? b : a);
18 assign out = ({W{sel == 2'b00}} & a) | ({W{sel == 2'b01}} & b) |
19     ({W{sel == 2'b10}} & c) | ({W{sel == 2'b11}} & d);
20
21 endmodule

多选一选通器

组合逻辑中慎用 always 语法

我们其实已经初步掌握了一些 Verilog 语法,但其实示例代码中还没有与 always 相关的部分。 always 可以用来实现组合逻辑电路,以后的实验还会使用 always 实现时序逻辑电路。 因为 always 的使用比较复杂,我希望大家在掌握之前慎用,防止出现你难以理解的bugs。

always代码片段示例1
1 // assign out = a & b;
2 always @(a or b)    begin
3     out = a & b;
4 end
always代码片段示例2
1 // assign pop_cnt = in[0] + in[1] + in[2] + in[3] + in[4] + in[5] + in[6] + in[7];
2 always @(*) begin
3     pop_cnt = 0;
4     for (integer i = 0; i < 8; i = i + 1)   begin
5         pop_cnt = pop_cnt + in[i];
6     end
7 end
always代码片段示例3
1 // assign out = sel[1] ? (sel[0] ? in[31:24] : in[23:16]) : (sel[0] ? in[15:8] : in[7:0]);
2 always @(*) begin
3     out = 0;
4     for (integer i = 0; i < 32; i = i + 8)  begin
5         out = out | ({8{sel == (i/8)}} & in[i+7:i]);
6     end
7 end

always与assign区别很大, @(a or b) 是指当敏感信号列表中的a或者b的值发生变化时,执行更新赋值操作。 因此当a或者b变化时, out = a & b 这样就与 assign out = a & b; 是一个意思。 但是当敏感信号列表中只有 a 而没有 b 时,只有 a 改变了才会使得 out = a & b ,而 b 改变之后不会使得 out = a & b ,这样显然与 assign out = a & b; 或者与门电路的含义是不一样的。

always @(*) 表示敏感信号为所有输入信号,可以防止遗漏,发生上面那样的错误,偏离了与门电路的含义。 高亮的 pop_cnt = 0;out = 0; 是不能遗漏的,否则他们没有初始值,会一直是 x 状态。 他们都与注释中使用 assign 写的电路含义是完全一致的,但是它们可以更好的参数化,不用修改代码就能调整参数。 最下面的例子给出了 四选一选通器 的实现方法。

八选一选通器

使用 assign 和 always 两种参考方法,实现八选一选通器,数据为8位宽,并 通过 testbench 程序检验两种方法功能是否完全一致。

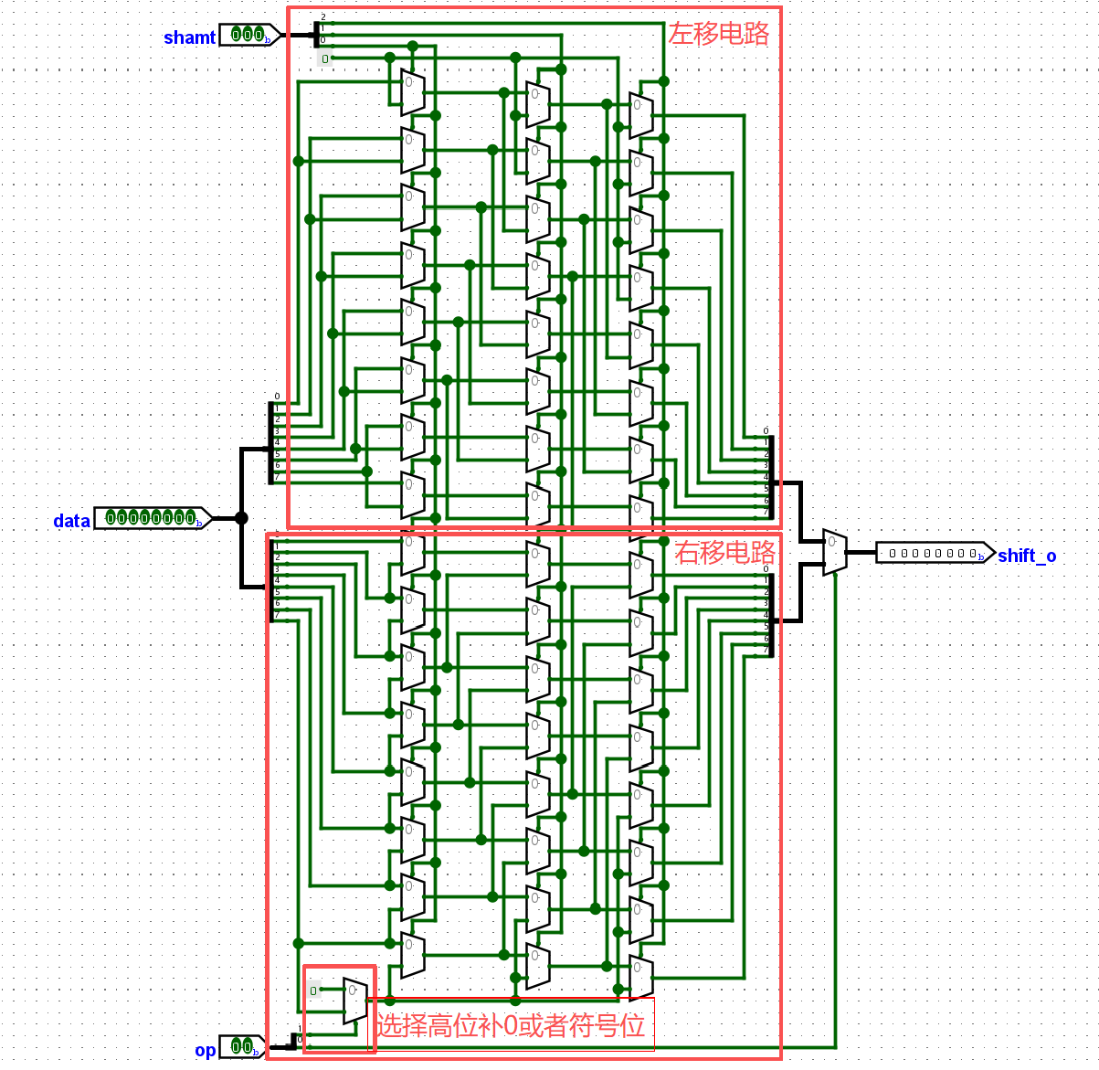
桶形移位器电路实现

barrel_shifter

这里给出了8位桶形移位器电路实现方式,其中上面是左移电路,下面是右移电路, 右移高位补0或者符号位通过一位信号来选择是运算逻辑右移或者算数右移操作。 最后通过一个8位宽的二选一选通器选择是左移还是右移,完成了8位桶形移位器功能。

16位桶形移位器

使用前面的选通器,参考上图中的桶形移位器电路结构图,实现16位桶形移位器。 有4位shamt (shift amount) 输入信号控制移位量,2位op (operation) 信号用来控制操作类型, 2'b00表示左移,2'b01表示逻辑右移,2'b11表示算数右移。

当我们尝试使用 assign 去描述4位桶形移位器时,会发现很多重复的电路结构。

4位桶形移位器代码片段示例1
 1 wire [3:0] shl1;    // shift left 1-bit
 2 assign shl1[0] = shamt[0] ? 1'b0    : data[0];
 3 assign shl1[1] = shamt[0] ? data[0] : data[1];
 4 assign shl1[2] = shamt[0] ? data[1] : data[2];
 5 assign shl1[3] = shamt[0] ? data[2] : data[3];
 6
 7 wire [3:0] shl2;    // shift left 2-bit
 8 assign shl2[0] = shamt[1] ? 1'b0    : shl1[0];
 9 assign shl2[1] = shamt[1] ? 1'b0    : shl1[1];
10 assign shl2[2] = shamt[1] ? shl1[0] : shl1[2];
11 assign shl2[3] = shamt[1] ? shl1[1] : shl1[3];

我们可以复制粘贴代码,然后仔细修改每一行代码,当然,也可以使用 generate 语法实现描述。 generate 可以构造循环结构,用来多次实例化某个模块,或者实现重复的语句操作。 我们给出两个代码示例来描述上面的4位桶形移位器代码片段示例1的结构。 注意 genvar 是在 generate 语法中用做变量使用的,不能使用 integer 做变量。

4位桶形移位器代码片段示例2
 1 genvar i;
 2 wire [3:0] shl1;    // shift left 1-bit
 3
 4 generate
 5     for (i = 0; i < 4; i = i + 1)   begin
 6         if (i == 0)
 7             assign shl1[i] = shamt[0] ? 1'b0 : data[i];
 8         else
 9             assign shl1[i] = shamt[0] ? data[i-1] : data[i];
10     end
11 endgenerate
12
13 wire [3:0] shl2;    // shift left 2-bit
14 generate
15     for (i = 0; i < 4; i = i + 1)   begin
16         if (i < 2)
17             assign shl2[i] = shamt[1] ? 1'b0 : shl1[i];
18         else
19             assign shl2[i] = shamt[1] ? shl1[i-2] : shl1[i];
20     end
21 endgenerate

当然你也可以在 generate 块中多次实例化二选一选通器模块来描述这个电路。

4位桶形移位器代码片段示例3
 1 genvar i;
 2 wire [3:0] shl1;    // shift left 1-bit
 3
 4 generate
 5     for (i = 0; i < 4; i = i + 1)   begin : gen_mux2_1_shl1
 6         if (i == 0)
 7             mux2_1 #(1) u_mux2_1(data[i], 1'b0, shamt[0], shl1[i]);
 8         else
 9             mux2_1 #(1) u_mux2_1(data[i], data[i-1], shamt[0], shl1[i]);
10     end
11 endgenerate
12
13 wire [3:0] shl2;    // shift left 2-bit
14 generate
15     for (i = 0; i < 4; i = i + 1)   begin : gen_mux2_1_shl2
16         if (i < 2)
17             mux2_1 #(1) u_mux2_1(shl1[i], 1'b0, shamt[1], shl2[i]);
18         else
19             mux2_1 #(1) u_mux2_1(shl1[i], shl1[i-2], shamt[1], shl2[i]);
20     end
21 endgenerate

在使用 generate 多次实例化某个模块时,在 for 循环的 begin 后面加上 : <generate_blk_name>, 可以在仿真时更好的区分每个模块,模块的命名会根据你添加的<generate_blk_name>生成模块的实例化名字。 这样你就可以更方便的选取某个模块观察信号,如下图所示。

gen_blk_name

2'b10 的操作

当控制操作类型的信号是 2'b10 时,上面使用logisim实现的8位桶形移位器电路是完成什么操作,为什么呢?